STM42一体化步进电机 | ||
| STM一体化步进电机产品凭借其优秀的闭环控制系统和一体化开发理念,集成步进电机、编码器、驱动器于一体,支持 CAN 和 RS485、CANopen通信总线控制,具有体积小,接线简单的特点。 | |
特点 ● 简约设计 ● 集成数字量输入输出 ● 完善的诊断报警功能 ● 闭环/开环控制 ● 集成驱动器和控制器 ● 集成高精度编码器 ● 高效的原点返回与设定 | ||
| 结构示意图 |
![]() |
![]() | 技术规格 | ||||||||
| 型号 | 额定压(VDC) | 额定电流(A) | 保持力矩(N·m) | 步距角(°) | 相数 | 机身长度(mm) | 集成编码器 | 重量(Kg) | |
| STM4228A-CAN | 24 | 0.6 | 0.12 | 1.8 | 2相 | 48.5 | √ | 0.12 | |
| STM4228A-CANopen | 0.6 | 0.12 | 48.5 | 0.12 | |||||
| STM4228A-485 | 0.6 | 0.12 | 48.5 | 0.12 | |||||
| STM4228A-232 | 0.6 | 0.12 | 48.5 | 0.12 | |||||
| STM4228A-CAN-B | 0.6 | 0.12 | 80.5 | 0.33 | |||||
| STM4228A-CANopen-B | 0.6 | 0.12 | 80.5 | 0.33 | |||||
| STM4228A-485-B | 0.6 | 0.12 | 80.5 | 0.33 | |||||
| STM4228A-232-B | 0.6 | 0.12 | 80.5 | 0.33 | |||||
| STM4234A-CAN | 1.3 | 0.28 | 52.5 | 0.27 | |||||
| STM4234A-CANopen | 1.3 | 0.28 | 52.5 | 0.27 | |||||
| STM4234A-485 | 1.3 | 0.28 | 52.5 | 0.27 | |||||
| STM4234A-232 | 1.3 | 0.28 | 52.5 | 0.27 | |||||
| STM4234A-CAN-B | 1.3 | 0.28 | 84.5 | 0.46 | |||||
| STM4234A-CANopen-B | 1.3 | 0.28 | 84.5 | 0.46 | |||||
| STM4234A-485-B | 1.3 | 0.28 | 84.5 | 0.46 | |||||
| STM4234A-232-B | 1.3 | 0.28 | 84.5 | 0.46 | |||||
| STM4240A-CAN | 1.7 | 0.40 | 58.5 | 0.33 | |||||
| STM4240A-CANopen | 1.7 | 0.40 | 58.5 | 0.33 | |||||
| STM4240A-485 | 1.7 | 0.40 | 58.5 | 0.33 | |||||
| STM4240A-232 | 1.7 | 0.40 | 58.5 | 0.33 | |||||
| STM4240A-CAN-B | 1.7 | 0.40 | 90.5 | 0.52 | |||||
| STM4240A-CANopen-B | 1.7 | 0.40 | 90.5 | 0.52 | |||||
| STM4240A-485-B | 1.7 | 0.40 | 90.5 | 0.52 | |||||
| STM4240A-232-B | 1.7 | 0.40 | 90.5 | 0.52 | |||||
| STM4248A-CAN | 1.7 | 0.40 | 66.5 | 0.41 | |||||
| STM4248A-CANopen | 1.7 | 0.50 | 66.5 | 0.41 | |||||
| STM4248A-485 | 1.7 | 0.50 | 66.5 | 0.41 | |||||
| STM4248A-232 | 1.7 | 0.50 | 66.5 | 0.41 | |||||
| STM4248A-CAN-B | 1.7 | 0.50 | 98.5 | 0.60 | |||||
| STM4248A-CANopen-B | 1.7 | 0.50 | 98.5 | 0.60 | |||||
| STM4248A-485-B | 1.7 | 0.50 | 98.5 | 0.60 | |||||
| STM4248A-232-B | 1.7 | 0.50 | 98.5 | 0.60 | |||||
| STM4260A-CAN | 2.0 | 0.70 | 78.5 | 0.52 | |||||
| STM4260A-CANopen | 2.0 | 0.70 | 78.5 | 0.52 | |||||
| STM4260A-485 | 2.0 | 0.70 | 78.5 | 0.52 | |||||
| STM4260A-232 | 2.0 | 0.70 | 78.5 | 0.52 | |||||
| STM4260A-CAN-B | 2.0 | 0.70 | 113.5 | 0.71 | |||||
| STM4260A-CANopen-B | 2.0 | 0.70 | 113.5 | 0.71 | |||||
| STM4260A-485-B | 2.0 | 0.70 | 113.5 | 0.71 | |||||
| STM4260A-232-B | 2.0 | 0.70 | 113.5 | 0.71 | |||||
| ※注:支持CAN、CANopen、RS-485、RS232通信方式,轴径:Φ5,-B表示刹车型号,可选开环型号 | |||||||||
| 技术参数 | |
电压范围 | • 12VDC~30VDC | |
| 电流 | • 怠机电流 0~3A 可设 • 运行电流 0~3A 可设 | |
掉电保护手段 | • EEPROM | |
控制模式 | • 位置模式、速度模式、原点回归模式 | |
数字量输入输出(DI/DO) | • DI:数量3个;通道类型: 电平输入、无源触点输入,逻辑 1 信号:3~3.3VDC,逻辑 0 信号:0~0.5VDC;不隔离 • DX:数量2个,可通过参数设置为DI或DO;电流:DO负载最大电流8mA,逻辑 1 信号:3~3.3VDC,逻辑 0 信号:0~0.5VDC | |
编码器 | • 14 位高分辨率绝对值编码器(闭环支持) | |
通信方式 | • 可选CAN/CANopen,RS-485,RS-232通信方式 | |
细分 | • 软件灵活设置可选:最大16细分(闭环控制)或最大128细分(开环控制) | |
制动电阻 | • 内置+外置, 且二者不可并联使用, 内置 16W | |
制动器 | • 可通过配置实体端子的EXTERNAL_BRAKE 功能实现 | |
故障报警功能 | • 过流保护:0~6A 可设 • 电源过压/欠压:采集到的母线电压高于过压/欠压报警设定值时, 产生过压/欠压报警 • 过热报警:驱动过热超过内部设定温度,产生报警 • 堵转报警:可通过参数设置堵转阈值(闭环支持) | |
使用环境 | • 工作环境:温度 0℃~40℃,相对湿度 10%RH~85%RH 无凝结 • 储存环境:温度 -40℃~85℃,相对湿度 5%RH~95%RH,无凝结 • 污染程度 SO2:<0.5ppm; H2S:<0.1ppm • 海拔高度 -300m~3000m | |
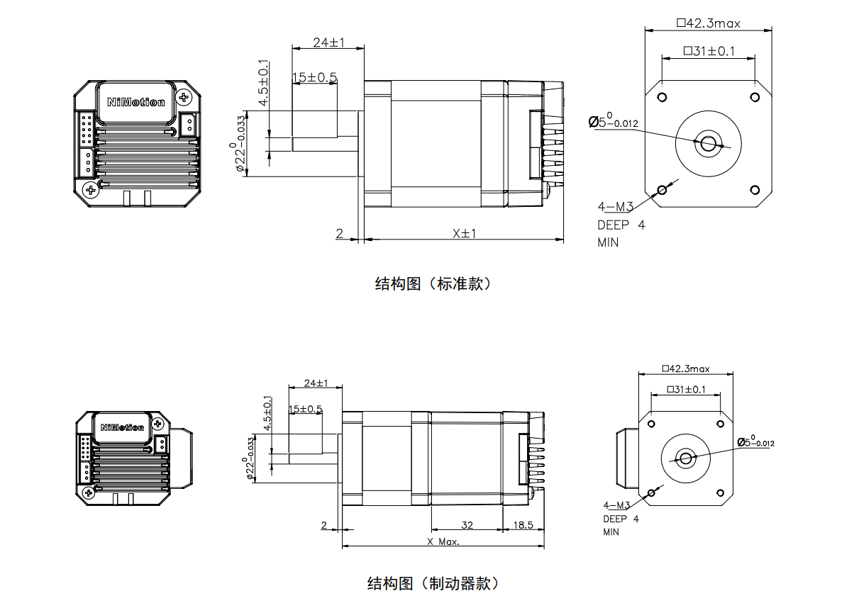
| 外形尺寸 |
|
| 转矩——转速特性 |
|






