STM28MC一体化步进伺服电机 | ||
| STM28MC一体化步进伺服电机是高性能小功率的步进伺服产品。凭借其优秀的闭环控制系统和一体化开发理念,集成步进电机、编码器、驱动器于一体,采用 FOC 磁场定向控制技术和 SVPWM(空间矢量调制)技术,支持 CANopen 和 RS485 通信总线控制,具有体积小,接线简单等特点。 | |
特点 ● 高效的原点返回与设定 ● 集成数字量输入输出 ● 多种控制模式 ● 16段位置/速度功能&S型曲线规划 ● 通过陷波器进行共振抑制/低频振动抑制 ● 支持多平台软件开发工具包(SDK)
| ||
| 结构示意图 |
![]() |
![]() | 技术规格 | ||||||
| 型号 | 额定电压 | 额定电流 | 保持力矩 | 转动惯量 | 机身长度 | 重量(Kg) | |
STM2832B(B1)-CANopen-MC | 24VDC | 1.0A | 0.05 N·m | 9kg·m2X10-7 | 47mm | 0.15kg | |
STM2832B(B1)-485-MC | 0.05 N·m | 9kg·m2X10-7 | 47mm | 0.15kg | |||
| STM2851B(B1)-CANopen-MC | 0.10 N·m | 18kg·m2X10-7 | 65.5mm | 0.23kg | |||
| STM2851B(B1)-485-MC | 0.10 N·m | 18kg·m2X10-7 | 65.5mm | 0.23kg | |||
| ※注:可选CANopen、RS485通信方式,轴径:Φ5;B-17 位单圈绝对值编码 / B1-17 位单圈高精度绝对值编码器 | |||||||
| 技术参数 | |
输入电压 | • 12VDC~30VDC | |
| LED指示灯 | • 黄绿双色显示 | |
编码器 | •17 位磁编码器(多圈绝对值记数,掉电自动存储) | |
控制模式 | • CiA402模式:PP(轮廓位置模式)、VM(速度模式)、PV(轮廓速度模式)、PT(轮廓转矩模式)、HM(原点回归模式)、IP(插补模式)、CSP(循环同步位置模式)、CSV(循环同步速度模式)、CST(循环同步转矩模式) • NiMotion模式:速度模式、位置模式、转矩模式 | |
通信方式 | • CANopen、Modbus | |
DI(数字量输入) | • DI:数量3个,支持PWM脉冲输入,最大脉冲频率 1.2MHz;逻辑1信号:5~24;逻辑0信号:0~2V; 可配置功能: 1.使能 2.正负限位 3.原点开关 4. 报警复位 5.暂停 6. 多段运行指令切换 | |
DO1(数字量输出) | •DO: 数量:2个,输出方式:MOS 开漏输出、 NPN ,最大负载电流 100mA,最大电压 30V; 可配置功能: 1.普通DO;2.电机运行停止;3.目标达到 ;4.报警输出 | |
驱动方式 | • 采用FOC磁场定向控制技术和SVPWM(空间矢量调制技术) | |
故障诊断/复位 | • 过压、欠压、过温、堵转、存储故障、超限检测、原跟踪故障、目标位置溢出故障、曲线规划参数过小等 • 报警为自复位,故障为手动复位 | |
工作环境 | • 温度: 0℃~40℃ / 湿度: 10%RH~85%RH 无凝结 • 储存环境温度:-40℃~85℃ • 污染程度 SO2 :<0.5ppm; H2 S:<0.1ppm • 海拔高度 -300m~3000m • 安装方式:水平或垂直 | |
特色功能 | • 故障诊断、故障复位、软限位、参数识别、可设参数、增益切换、共振抑制、低频抑 制、参数保存设置、在线升级 | |
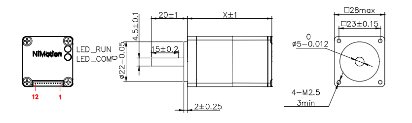
| 外形尺寸 |
|
| 转矩——转速特性 |
|





